O motor de indução trifásico com rotor em gaiola de esquilo é constituído por um núcleo de chapas ferromagnéticas, isoladas entre si, sobre o qual são colocadas barras de alumínio (condutores), dispostas paralelamente entre si e unidas nas suas extremidades por dois anéis condutores, também em alumínio, que provocam um curto-circuito nos condutores.
O estator do motor é também constituído por um núcleo ferromagnético laminado, nas cavas do qual são colocados os enrolamentos alimentados pela rede de corrente alternada trifásica. A vantagem desse rotor é que resulta em uma construção do induzido mais rápida, mais pratica e mais barata. Trata-se de um motor robusto, barato, de rápida produção, que não exige coletor (elemento sensível e caro) e de rápida ligação na rede.
As barras condutoras da gaiola esquilo são colocadas geralmente com uma certa inclinação para evitar as trepidações e ruídos pela ação eletromagnéticas entre os dentes das cavas do estator e do rotor. A principal desvantagem é que o torque de partida é reduzido em relação à corrente absorvida pelo estator.
O Motor de 12 pontas - Havendo 12 terminais disponíveis, é possível a ligação em 4 tensões diferentes, usualmente 220-380-440-760 V. Estes doze terminais de interligação referem-se a seis conjuntos de bobinas que constituem o motor elétrico. Para cada nível de tensão requerido teremos uma forma de realizar o fechamento de suas bobinas. São basicamente quatro tipos de fechamento, são eles: Duplo Triângulo (220V); Dupla Estrela (380V); Triângulo (440V) e Estrela (760V).
Fechamento Duplo Triângulo - Este tipo de fechamento fará com que seja possível a conexão motor na menor tensão suportada por ele, em nosso exemplo 220V. Partindo do pressuposto que independente da tensão de alimentação, o motor de 12 pontas sempre receberá em seus Enrolamentos o mesmo nível de tensão e que em nosso exemplo, cada bobina permanecerá com 220V, temos o esquema elétrico de um fechamento para a tensão de 220V que por sinal é a menor tensão que este motor suporta. Tendo em vista que este fechamento assemelha-se com um circuito paralelo, o fechamento duplo triângulo ao ser conectado a rede de alimentação de 220V recebe em cada uma de suas bobinas os mesmos 220V da rede elétrica.
As barras condutoras da gaiola esquilo são colocadas geralmente com uma certa inclinação para evitar as trepidações e ruídos pela ação eletromagnéticas entre os dentes das cavas do estator e do rotor. A principal desvantagem é que o torque de partida é reduzido em relação à corrente absorvida pelo estator.
O Motor de 12 pontas - Havendo 12 terminais disponíveis, é possível a ligação em 4 tensões diferentes, usualmente 220-380-440-760 V. Estes doze terminais de interligação referem-se a seis conjuntos de bobinas que constituem o motor elétrico. Para cada nível de tensão requerido teremos uma forma de realizar o fechamento de suas bobinas. São basicamente quatro tipos de fechamento, são eles: Duplo Triângulo (220V); Dupla Estrela (380V); Triângulo (440V) e Estrela (760V).
![]() |
| Motor de indução trifásico de 12 pontas na ligação Duplo Triângulo. |
![]() |
| Motor de indução trifásico de 12 pontas na ligação Dupla Estrela. |
Fechamento Dupla Estrela - Neste fechamento temos a disposição das bobinas do motor a fim de alimentá-lo com uma tensão de 380V. Por se tratar do mesmo motor, temos que levar em consideração que cada bobina do motor elétrico trifásico receberá um nível de tensão de 220V, desta maneira vamos realizar o fechamento considerando as características de Tensão de Fase e Tensão de Linha aplicado aos seu enrolamentos,observe: Com a Tensão de Linha de380V representadas em R, S e T temos, respectivamente, as Tensões de Fase de 220V em cada uma das bobinas, sendo que este tipo de fechamento “comporta-se” como um circuito em série, logo, existe a divisão de tensão entre os conjuntos de bobinas associados.
![]() |
| Motor de indução trifásico de 12 pontas na ligação Triângulo Série. |
Fechamento Triângulo - Quando a necessidade é interligar o motor a uma tensão de 440V, então realizamos o fechamento triângulo. Levando em consideração as características apresentadas anteriormente, permitiremos através deste fechamento que cada um dos enrolamentos receba o mesmo nível de tensão dos fechamentos duplo estrela e duplo triângulo, ou seja, 220V. Veja que no fechamento em triângulo o motor será configurado a fim de receber a tensão de 440V, observe que, teoricamente a tensão de fase seria de 440V mas o fato de associarmos os enrolamentos em série permite que esta tensão seja dividida entre os dois enrolamentos fazendo com que cada um receba 220V.
![]() |
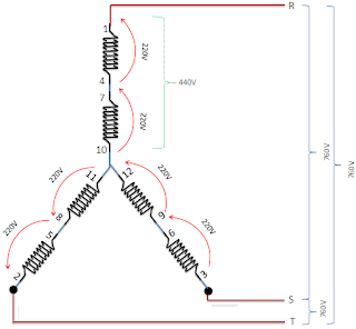
| Motor de indução trifásico de 12 pontas na ligação Estrela Série. |
Fechamento Estrela - Quando há necessidade de interligar o motor de 12 pontas em um nível elevado de tensão fazemos o uso do fechamento estrela para o motor de 12 pontas. Levando em consideração as características apresentadas anteriormente, permitiremos através deste fechamento que cada um dos enrolamentos receba o mesmo nível de tensão dos fechamentos duplo estrela e duplo triângulo, ou seja, 220V. Observe que os conjuntos de bobinas são associados em série a fim de garantir a distribuição da tensão de fase de forma proporcional a cada uma. Sendo a tensão de Linha (Alimentação ) de 760V podemos deduzir que a tensão de fase será de 440V.
Para inverter o sentido de rotação de um motor trifásico, basta que se troquem duas fases da alimentação.
Diagrama elétrico para energização de motor de indução trifásico de 12 terminais disponível em: 19_09_06_CH_Motor_doze_terminais_manual .
© Direitos de autor. 2016: Gomes; Sinésio Raimundo. Ultima atualização: 30/09/2016



.png)